Spojka s vonkajším závitom D25-32x1/2" PN16
Podrobný popis
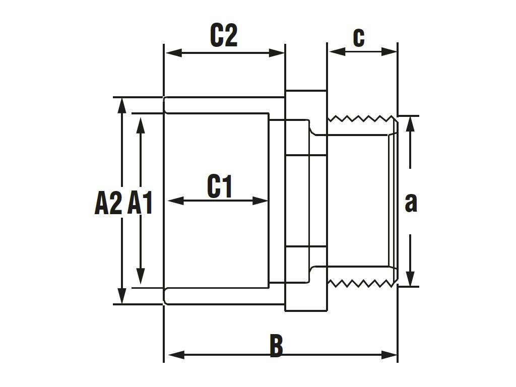
Spojka – nátrubok s vonkajším závitom je určená na prechod zo závitového spoja na klasickú PVC trubku alebo flexi hadicu. Závitový spoj v žiadnom prípade nelepte. Na vytesnenie spoja použite teflónovú pásku alebo nit. Spojka je určená na vlepenie PVC trubky s rovnakým priemerom. Lepené spoje najskôr dobre očistite bazénovým čistidlom. Na očistené spoje potom naneste rovnomernú vrstvu bazénového lepidla. Po zalepení nechajte spoje aspoň 5 minút zaschnúť a potom môžete pokračovať. Bazénové lepidlá tvrdnú približne 10 - 12 hodín. Po tomto čase môžete pustiť filtráciu.


Technické údaje:
- Priemer vnútorný: 25 mm
- Priemer vonkajší: 32 mm
- Pripojenie závit: 1/2"
- Menovitý tlak: 16 bar
Dodatočné parametre
| Kategória: | Spojky a redukcie |
|---|---|
| Záruka: | 2 roky |
| Hmotnosť: | 0.02 kg |
| Menovitý tlak: | PN16 |
| Priemer D: | D25 |
Hodnotenie tovaru
Buďte prvý, kto napíše príspevok k tejto položke.
Diskusia
Buďte prvý, kto napíše príspevok k tejto položke.
